欢迎访问泰州宅男视频下载机械制造有限公司官方网站!

宅男视频网站   列管式冷却器  宅男视频APP在线下载   宅男视频在线播放  油冷却器   冷却器

135791113
产品展示

您所在的位置: 网站首页 > 产品展示

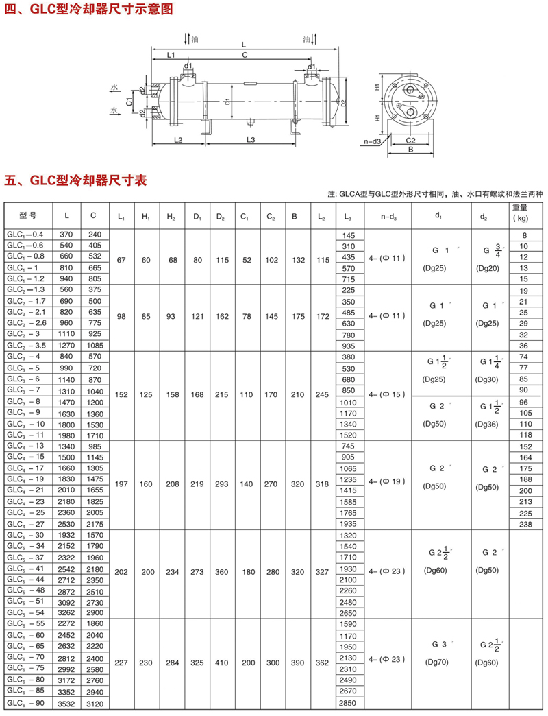
GLC 型冷却器


型号
L
C
L1
H1
H2
D1
D2
C1
C2
B
L2
L3
n-d3
d1
d2
重量
(kg)
GLC1-0.4
370
240
67
60
68
78
92
52
102
132
115
145
5-(ø11)
G1´´
(Dg25)
G3/4´´
(Dg20)
8
GLC1-0.6
540
405
310
10
GLC1-0.8
660
532
435
12
GLC1-1
810
665
570
13
GLC1-1.2
940
805
715
15
GLC2-1.3
560
375
98
85
93
120
137
78
145
175
172
225
4-(ø11)
G1´´
(Dg25)
G1´´
(Dg25)
19
GLC2-1.7
690
500
350
21
GLC2-2.1
820
635
485
25
GLC2-2.6
960
775
630
29
GLC2-3
1110
925
780
32
GLC2-3.5
1270
1085
935
36
GLC3-4
840
570
152
125
158
168
238
110
170
210
245
380
4-(ø15)
G3/2´´
(Dg36)
G7/4´´
(Dg30)
74
GLC3-5
990
720
530
77
GLC3-6
1140
870
680
85
GLC3-7
1310
1040
850
90
GLC3-8
1470
1200
1010
G2´´
(Dg50)
G3/2´´
(Dg36)
96
GLC3-9
1630
1360
1170
105
GLC3-10
1800
1530
1340
110
GLC3-11
1980
1710
1520
118
GLC4-13
1340
980
197
160
208
219
305
140
270
320
318
745
4-(ø19)
G2´´
(Dg50)
G2´´
(Dg50)
152
GLC4-15
1500
1145
905
164
GLC4-17
1660
1305
1065
175
GLC4-19
1830
1475
1235
188
GLC4-21
2010
1655
1415
200
GLC4-23
2180
1825
1585
213
GLC4-25
2360
2005
1765
225
GLC4-27
2530
2175
1935
238
GLC5-30
1932
1570
202
200
234
273
355
180
280
320
327
1320
4-(ø23)
G5/2”
(Dg60)
G2”
(Dg50)
GLC5-34
2152
1790
1540
GLC5-37
2322
1960
1710
GLC5-41
2542
2180
1930
GLC5-44
2712
2350
2100
GLC5-48
2872
2510
2260
GLC5-51
3092
2730
2480
GLC5-54
3262
2900
2650
GLC6-55
2272
1860
227
230
284
325
410
200
300
390
362
1590
4-(ø23)
G3´´
(Dg70)
G5/2´´
(Dg60)

GLC6-60
2452
2040
1170
GLC6-65
2632
2220
1950
GLC6-70
2812
2400
2130
GLC6-75
2992
2580
2310
GLC6-80
3172
2760
2490
GLC6-85
3352
2940
2670
GLC6-90
3532
3120
2850

注:GLCA型与GLC型外形尺寸相同,油、水口有螺纹和法兰两种冷却器

我厂将根据客户来样来图非标产品进行设计,报价.

  

联系宅男视频下载

24小时服务热线:15161090198
电话:0523-88586202
邮箱:kate@lengqueqiw.com
公司地址:江苏省泰州市姜堰区娄庄工业园区

Copyright @ cxddzx.com . All rights reserved. 版权所有 泰州宅男视频下载机械制造有限公司
服务热线:15161090198